半導體光放大器(SOA)系列產品,主要應用于1550nm波長的光放大,能顯著提高輸出光功率。 SOA-1550-20-G30提供+20dBm飽和輸出功率,30dB增益,單模、保偏版本均可選擇。高度定制。
自有SOA芯片,全工藝自主可控。
單模版本
保偏版本
半導體光放大器(SOA)系列產品,主要應用于1550nm波長的光放大,能顯著提高輸出光功率。 SOA-1550-20-G30提供+20dBm飽和輸出功率,30dB增益,單模、保偏版本均可選擇。高度定制。
自有SOA芯片,全工藝自主可控。
|
參數 |
符號 |
工作條件 |
最小值 |
典型值 |
最大值 |
單位 |
|
ASE中心波長 |
λ |
If=800mA |
- |
1510 |
- |
nm |
|
帶寬 |
Δλ |
@-3dB |
- |
60 |
- |
nm |
|
飽和光功率 |
Psat |
If=800mA,λ=1550nm |
20 |
- |
23 |
dBm |
|
飽和光功率 (保偏器件) |
Psat |
If=800mA,λ=1550nm |
20 |
- |
22 |
dBm |
|
偏振消光比(保偏器件) |
Per |
- |
20 |
- |
- |
dB |
|
小信號增益 |
G |
Pin=-20dBm,λ=1550nm |
- |
- |
30 |
dB |
|
工作電流 |
If |
- |
- |
800 |
1200 |
mA |
|
噪聲系數 |
NF |
- |
- |
7.5 |
TBD |
dB |
|
消光比 |
ER1 |
If=800mA/If=0mA Pin=0dBm |
55 |
- |
60 |
dB |
|
TEC電流 |
ITEC |
- |
- |
- |
1.8 |
A |
|
TEC電壓 |
VTEC |
- |
- |
- |
3.4 |
V |
|
偏振相關增益 |
PDG |
- |
- |
1.5 |
2 |
dB |
|
熱敏電阻阻值 |
Rtherm |
T=25℃ |
9.5 |
10 |
10.5 |
KΩ |
|
熱敏電阻電流 |
Itherm |
- |
- |
- |
5 |
mA |
|
氣密性1 |
- |
T=25℃ |
1*10-12 |
1*10-11 |
1*10-8 |
Pa.m3/s |
|
工作溫度 |
TC |
I=Iop |
-40 |
- |
60 |
℃ |
|
存儲溫度 |
Tstg |
- |
-40 |
- |
85 |
℃ |
備注1:氣密性數值為管殼封裝數值,排除管殼外部殘留干擾測試得出。
|
典型特性 |
|
|
|
|
|
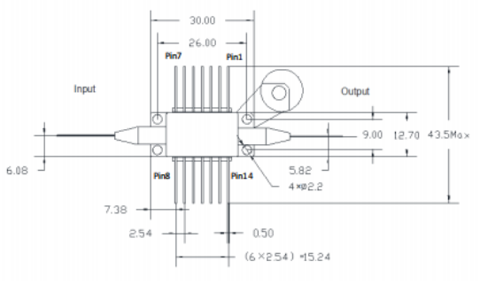
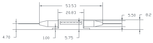
結構尺寸和管腳定義 |
|
|
|
|
|
|
訂貨信息:
|
訂貨信息 |
產品描述 |
|
SOA-1550-20-G30-SM-FA |
1550nm波段-20dBm飽和輸出功率-30dB增益-蝶形封裝-單模光纖-FC/APC接頭 |
|
SOA-1550-20-G30-PM-FA |
1550nm波段-20dBm飽和輸出功率-30dB增益-蝶形封裝-保偏光纖-FC/APC接頭 |
